|
Český návod k obsluze Ohřívač vody Mora KEOM 80 PKTP Pro zvětšení klikněte na obrázek
Obsah českého návodu Ohřívač vody Mora KEOM 80 PKTP
- Zařazení produktu: Ohřívače vody Mora
- Značka: Mora
- Popis a obsah balení
- Technické informace a základní nastavení
- Návod k obsluze
- Často kladené otázky – FAQ
- Jak vyřešit problém (nelze zapnout, nereaguje, píše chybu, co dělat když...)
- Autorizovaný servis Mora Ohřívače vody
|
Návod k obsluze Ohřívač vody Mora KEOM 80 PKTP obsahuje základní pokyny,
které je třeba respektovat. Před uvedením do provozu si pozorně přečtěte tento návod.
Dodržujte všechny bezpečnostní a výstražné pokyny a řiďte se uvedenými doporučeními.
Návod je nedílnou součástí výrobku Mora a v případě jeho prodeje nebo přemístění by měl být předán společně s výrobkem.
Dodržování tohoto návodu k použití je bezpodmínečným předpokladem pro ochranu
zdraví osob a pro uznání odpovědnosti výrobce za případné vady výrobku v průběhu záruční lhůty.
Stáhněte si oficiální Mora návod,
v němž naleznete pokyny k instalaci, použití, údržbě i servisu vašeho výrobku.
A nezapomeňte – nevhodným používáním výrobku Mora výrazně zkracujete jeho životnost!
|
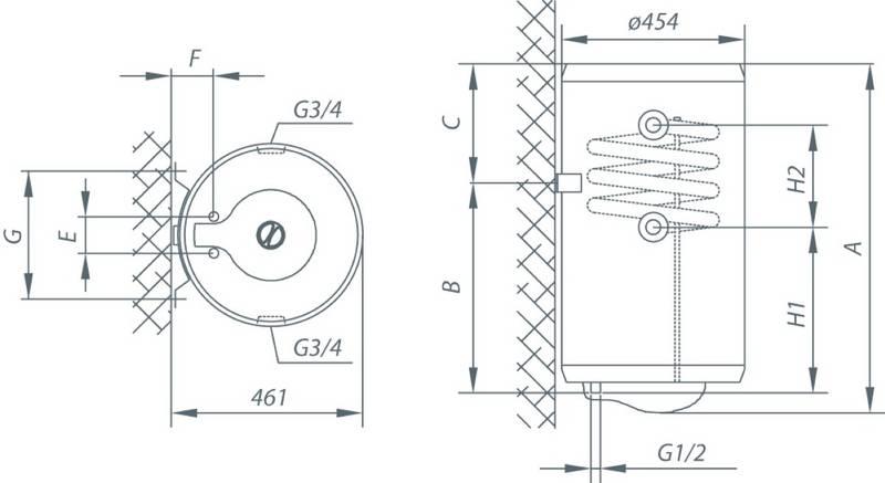
Popis produktuKombinovaný elektrický ohřívač MORA kulatý s termostatem objem 80 l, možný přívod pro více odběrových míst, svislá instalace, trubicový tepel ný výměník. Přípojka tepelného výměníku zprava ( P ). Elektrické ponorné těleso, regulace teploty otočným termostatem - možnost nastavení až do 65°C, hospodárné nastavení 55°C, ochrana proti zamrznutí 10°C. Kontrolka topného tělesa, bimetalový teploměr ukazatele teploty vody v zásobníku ohřívače. Provozní tlak 6 až 9 barů. Speciální smalt, hořčíková anoda. Snadná montáž i údržba. Připojení do napájecí sítě G 1/2. Přípojka tepelného výměníku G 3/4. Záruka na smaltovanou nádobu 4 roky. - MORKEOM80PKTP_návod.pdf (Návod k použití CZ, 979.67 KB)
|
Návod k obsluze Ohřívač vody Mora KEOM 80 PKTP
Níže je zobrazen náhled *.pdf souboru s návodem k obsluze.
Jedná se o zkrácenou verzi. Informace o souboru: 16 stránek, formát PDF, velikost souboru 1 MB Pokud máte zájem o přístup k celému návodu, přejděte prosím na stránku: Objednávka návodu k obsluze Ohřívač vody Mora KEOM 80 PKTPPo dokončení objednávky se symbolickým poplatkem Vám bude zaslán odkaz pro zobrazení úplného návodu na Vaši emailovou adresu. Zároveň si můžete návod stáhnout (uložit) do svého počítače.
Náhled *.pdf souboru s návodem k obsluze. Zobrazit celý návod k obsluze Ohřívač vody Mora KEOM 80 PKTP
Technické parametry Ohřívač vody Mora KEOM 80 PKTP| Záruka | 24 měsíců | | Další parametry | | Konstrukce ohřívače vody | zásobníkový | | Poloha instalace | svislý (vertikální) | Objem ohřívače vody Objem zásobníku u ohřívačů vody">Objem ohřívače vody | 80 l | | Druh ohřevu | kombinovaný | | Indikátor teploty | Ano | | Příkon | 2000 W | | Rozměry výrobku | | Šířka výrobku | 45.4 cm | | Výška výrobku | 77.5 cm | | Hloubka výrobku | 46.1 cm | | Hmotnost výrobku | 32.0 kg | | Rozměry balení | | Šířka balení | 49.0 cm | | Výška balení | 80.0 cm | | Hloubka balení | 48.0 cm | | Hmotnost balení | 35.0 kg |
Hodnocení90% uživatelů tento produkt doporučuje ostatním. Jak jste na tom Vy?

Tento produkt už hodnotilo 26 majitelů. Přidejte i Vaše hodnocení a zkušenosti s výrobkem.
Diskuze
Zeptejte se našich techniků, máte-li problémy s nastavením, nebo jste narazili v návodu na nejasnosti.
Využijte naši moderovanou diskuzi.
Diskuze je veřejná a slouží i ostatním návštěvníkům našich stránek, kteří se potýkají s podobnými problémy.
Diskuze je zatím prázdná - vložte první příspěvek
Vložit nový příspěvek / Dotaz / Komentář:
|
|
|
| Žádost o návod |
Nenašli jste návod, který hledáte? Dejte nám vědět a my se pokusíme chybějící návod doplnit:
Hledám návod / Žádost o návod
Vaše nejnovější žádosti o návod:
kraft&dele blender akumulátorový kd4173... Prosím o návod na okamžitý překladač ENENCE generace 1,0. Děkuji Skoupá ... Dobrý den, hledám návod na MbT zn. Xiaomi Redmi Note 15 5G. Děkuji za odpověď V. Svoboda... Prosím o návod k ovládání elektrické trouby u kombinovaného sporáku Amica Supernova.... záložní zdroj APC Back-UPS 700VA ... Mám záujem o návod k teplovzdušnej fritéze od
Klarstein - AuraAir 1700W 10L.
Ďakujem pekne...
|
| Diskuze |
Poslední příspěvky v diskuzi:
Otazka Autor: Eduard Multimediální centrum Strong Leap-S3 černý Dobry den chcem sa opytat ja som vRakusku tu som si kupil STRONG LEAP S3+V2 neviem sledovat tv programi tento pristroj to neriesi len filmy skuste mi odpovedat dakujem
spozdravom Eduard... Nesoduje Autor: Milos Výrobník sodové vody Philips ADD4901BK 10 Dobrý deň mame sodovač plilips ale nechce nasýtiť vodu vo fľaši … kúpil som už tretiu bombicku a stále len trosku bublinluje po nakrútený fľašky do stroja … trosku bublinluje ale voda ostáva nesytena … nejde tam požadované množstvo vzduchu ide ako keby bol... možnost nákupu produktu Autor: Karel Notebook Lenovo ThinkPad E590 černý Kde mohu koupit tyto produkty : ThinkPad E590
Grafická karta: AMD Radeon RX 550X 2GB GDDR5Core i5-8265U (4C, 1.6 / 3.9GHz, 6MB)
Pevný disk: 256GB SSD M.2 PCIe NVMe
Processor: Core i7-8565U (4C, 1.8 / 4.6GHz, 8MB)
... DOLCE GUSTO GENIO Autor: MARKÉTA Espresso Krups NESCAFÉ Dolce Gusto Genio STÁLE MI SVÍTÍ ORANŽOVÁ KONTROLKA I KDYŽ JSEM ODVÁPNILA... Plast nevychází ven Autor: Blanka 3D pero 3Doodler Start a 72 Dobrý den, 3d pero je nabite, po zapnutí sviti chvíli cervene, po zahřátí zeleně, když ho zapnu aby tekl ven plast tak nic neteče...jakoby uvnitř byla zacpaná. Śpička je ocistena od zbytku plastu, další tyčinka lze vložit max. 2 cm.
Předem děkuji za radu, zda ... |
|